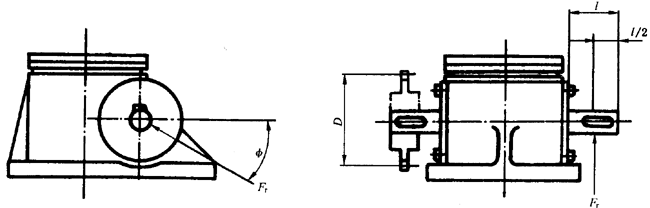
B1蝸桿軸伸上,由于安裝齒輪、鏈輪或帶輪所產生的徑向力Fr,其最大許用力與起升力和型號有差在1/2處所許用的最大徑向力和扭矩見圖B1和表B1。

|
型號
|
Frmax
N
|
Mtmax
N·m
|
|
SWL2.5/2.5M
|
350
|
18
|
|
SWL5/5M
|
750
|
44.2
|
|
SWL10/10M/15.15M
|
1000
|
108
|
|
SWL20/20M
|
1300
|
182
|
|
SWL25/25M
|
2000
|
314
|
|
SWL35/35M
|
2300
|
398
|
|
注:表中參炸毀是按φ≈30°或330°的計算的。
|
||

冀公網安備13092802000153號